Профили для гипсокартона
Arlight разработал новые модели алюминиевых профилей, предназначенных для скрытой установки в гипсокартон.
Arlight разработал новые модели алюминиевых профилей, предназначенных для скрытой установки в гипсокартон.
Профили можно встраивать в потолок, стену или использовать в качестве светового декоративного плинтуса. Благодаря разнообразию моделей разных форм, размеров и типов свечения возможна реализация оригинальных световых решений даже в сложных конструкциях: на стыке углов или на уровне пола. Каждый профиль обладает определенным световым эффектом.
Давайте познакомимся с ассортиментом профилей для скрытой установки в гипсокартон.
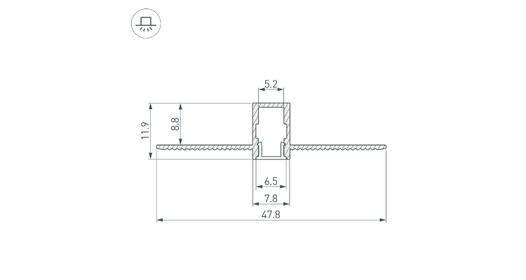
Узкие линии света

Профиль со скрытым фланцем SL-LINIA8-FANTOM-2000 ANOD позволяет создавать узкие световые линии на стенах и потолке, при этом ширина световой линии составляет всего 6.5 мм.

Широкие линии света
Профиль SL-LINIA97-FANTOM-2000 ANOD предназначен для создания широких световых линий, которые могут обеспечить полноценное основное освещение или выступать в роли декоративного светового элемента при выборе более низкой интенсивности свечения.

Интересные визуальные эффекты
Профили ARH-CEIL-REFLECT-2000 WHITE и ARH-CEIL-BEVEL-EDGE-2000 WHITE имеют интересную полукруглую форму и свечение, направленное внутрь/вбок профиля. Это оригинальное решение для подсветки потолочных ниш и карнизов.

Профиль-плинтус
Профиль-плинтус ARH-PLINTUS-FANTOM-2000 WHITE заменит собой стандартный плинтус и обеспечит красивую декоративную подсветку пола в темное время суток. У профиля малая ширина и оптимальная высота, поэтому он идеален для создания тонких контурных линий света вдоль всего периметра пола. Подходит для светодиодных лент шириной до 9 мм.

Угловые профили
Две модели угловых профилей для декоративной контурной подсветки внешних или внутренних углов стен и конструкций без видимых частей алюминия: внешний профиль ARH-DECORE-S6-EXT-2000 ANOD и внутренний профиль ARH-DECORE-S6-INT-2000 ANOD. Эти профили используются под строительную отделку или плитку, прочно фиксируются с помощью строительной смеси.

Профиль ARH-CEIL-S16-FANTOM-EDGE-2000 ANOD (арт. 34979)

Профиль с двусторонним свечением
Профиль ARH-V-DUAL-HID-2000 WHITE (арт. 34985) — это алюминиевый накладной профиль для светодиодных лент и линеек с двусторонним свечением и эффектом «отраженного света». Прекрасная альтернатива стандартному потолочному плинтусу. Создает оригинальное двустороннее свечение вверх/вниз — на потолок и на стену.


Профили для встраивания в гипсокартон
| Артикул | Название | Размер | Ширина площадки для лент, мм |
|---|---|---|---|
| 34986 | SL-LINIA8-FANTOM-2000 ANOD | 2000×47.8×12 | 5.2 |
| 34987 | SL-LINIA97-FANTOM-2000 ANOD | 2000×150×24 | 85.5 |
| 34982 | ARH-CEIL-REFLECT-2000 WHITE | 2000×99×35 | 14.2 |
| 35650 | SL-LINIA55-FANTOM-2500 ANOD | 2500×99×35 | 37.5 |
|
34983 |
ARH-PLINTUS-FANTOM-2000 WHITE | 2000×13.2×60 | 9.2 |
| 34973 | ARH-DECORE-S6-EXT-2000 ANOD внешний | 2000×44.9×22.2 | 5.2 |
| 34971 | ARH-DECORE-S6-INT-2000 ANOD внутренний | 2000×40.3×24.3 | 5.2 |
| 34979 | ARH-CEIL-S16-FANTOM-EDGE-2000 ANOD | 2000×38.4×36.5 | 12.4 |
| 34981 | ARH-CEIL-BEVEL-EDGE-2000 WHITE | 2000×64.5×60 | 12.5 |
| 34985 | ARH-V-DUAL-HID-2000 WHITE | 2000×70×70 | 10.4 |
| 34977 | ARH-CEIL-S16-2000 ANOD | 2000×26×30.3 | 12.9 |
|
Оформите заявку на сайте, мы свяжемся с вами в ближайшее время и ответим на все интересующие вопросы.
|
Заказать услугу
|
Товары
Услуги
Начиная с 2009 года, наша компания разрабатывает и производит приборы освещения на основе светодиодов для различных сфер применения.
Компания «Технологии освещения» проектирует и производит системы городского, промышленного и архитектурного освещения различной сложности. Мы изготовим осветительные приборы в соответствии с вашими пожеланиями или согласно требованиям технического проекта. На всю продукцию действует трех летний гарантийный срок.