Соблюдение нормативов по пульсациям освещенности - гарантия качества светодиодного освещения
Статья посвящена такому важному параметру искусственного освещения, как коэффициент пульсации светового потока.
В статье приводятся наиболее важные нормативные акты, регламентирующие этот параметр. Рассмотрены уровни пульсаций, производимых различными источниками света. Проведен анализ схемотехники типовых встроенных источников питания светодиодов в плане влияния на коэффициент пульсации.
Давно прошло то время, когда разнообразие источников света ограничивалось лампой накаливания. Сегодня на прилавках магазинов появились и другие, более совершенные источники света - люминесцентные и светодиодные, с различными электрическими и светотехническими параметрами. На упаковках таких ламп обычно большим шрифтом указаны потребляемая мощность и световой поток. Про уровень пульсаций светового потока, производимого лампой, изготовители обычно умалчивают. Давайте разберемся, так ли уж важен для нас коэффициент пульсации освещенности?
Требования и нормативы
- В России в настоящее время применяются следующие нормативные акты, устанавливающие требования к уровню пульсаций освещенности: СП 52.13330.2016 «СНиП 23-05-95* Естественное и искусственное освещение». Коэффициент пульсаций освещенности в зависимости от характеристики зрительной работы указан в таблице 1. Он учитывает пульсацию светового потока до 300 Гц. Пульсация освещенности свыше 300 Гц не оказывает влияния на общую и зрительную работоспособность.
- СанПиН 2.2.2/2.4.1340-03 «Гигиенические требования к персональным электронно-вычислительным машинам и организации работы». Пункт 6.14. ограничивает коэффициент пульсации пятью процентами.

Таблица 1. Требования к освещению помещений жилых и общественных зданий
Коэффициент пульсации освещенности
Коэффициент пульсации освещенности (Кп) - важнейшая характеристика источника света, критерий оценки относительной глубины колебаний освещенности в осветительной установке в результате изменения во времени светового потока при питании от сети переменного тока (рис. 1).
Рис. 1. Методика определения коэффициента пульсации освещённости
Кп определяется по формуле:

где: Емакс - максимальное значение освещенности за период ее колебания (промежуток времени), Емин - минимальное значение освещенности за период ее колебания, Еср - среднее значение освещенности за тот же период.
Нормирование этого показателя потребовалось в свое время в связи с повсеместным введением в эксплуатацию разрядных источников света, так как при питании током промышленной частоты (50 Гц) их световой поток пульсирует с частотой 100 Гц.
Если сетчатка глаза освещается импульсами света, то мелькания перестают восприниматься при некоторой их частоте - так называемой критической частоте слияния мельканий. Мозг не успевает полностью обработать зрительную информацию, изменяющуюся с частотой свыше нескольких десятков герц. На этом свойстве зрения основывается принцип показа видеоизображений, где кадры меняются с частотой от 25 Гц и выше, а зритель воспринимает увиденное как единую картину, плавно изменяющуюся со временем.
Однако отрицательное влияние световых колебаний на организм человека установлено в многочисленных исследованиях российских и международных экспертов и ученых.
Влияние световой пульсации на организм человека
Еще в 60-х годах XX в. проводились исследования по обнаружению влияния пульсации света на электрическую активность мозга человека. Авторы предположили, что отрицательное действие на человека однофазно включенных люминесцентных ламп с использованием электромагнитного балласта может быть обусловлено изменением основной ритмической активности нейронов. В ходе исследования у группы испытуемых во время просмотра светового экрана снимали показания электрической активности мозга. Снятые электроэнцефалограммы были разложены на спектр. При отсутствии пульсации света преобладающими частотами были 9-10 и 15-20 Гц. Это так называемые альфа и тэта ритмы, свойственные человеческому мозгу в нормальном состоянии. Частоты выше 120 Гц в таком спектре представлены слабо (рис. 2). Когда же испытуемым были показаны пульсации на световом экране, спектр изменялся следующим образом: альфа-ритм значительно подавлялся, амплитуды присущих ему частот снижались, зато появлялся пик на частоте, равной частоте наблюдаемых световых пульсаций: проявлялся навязываемый ритм.

Рис. 2. Фрагмент записи одного из опытов: а) спектр ЭЭГ в темноте (фон); б) спектр ЭЭГ при освещении светом, мелькающим с частотой 120 Гц. 1 - ЭЭГ затылочной части мозга, 2 - частотный спектр ЭЭГ, выдаваемый анализатором Уолтера
Результаты проведенных экспериментов показали следующее:- Мозг человека воспринимает пульсации света, не ощущаемые визуально (как по частоте, так и по амплитуде).
- Пульсации света частотой выше 100 Гц начинают влиять на работу мозга уже при глубине 2-3%.
- Пульсации глубиной больше 20% дают тот же эффект, что и 100% пульсации.
- При уровне мерцаний больше 5-8% и при частотах 100 Гц и более нормальная работа мозга нарушается.
- Мозг не воспринимает пульсации света частотой выше 300 Гц.
- Мозг способен усваивать до четырех частот раздражающего воздействия одновременно. Отсюда и такие жесткие требования СанПиН к Кп при работе на ПЭВМ. В таких помещениях на работу мозга, кроме пульсаций света, влияет еще и излучение монитора, которое также пульсирует. Работа стала основополагающей при последующем создании различных нормативных документов.
В исследовании лаборатории промышленного освещения Научно-исследовательского института охраны труда (г. Иваново), проведенном под руководством Ильиной Е. И. и Частухиной Т. Н., говорится, что неблагоприятное действие пульсации на организм человека возрастает с увеличением ее глубины. Появляется напряжение в глазах, усталость, трудность сосредоточения на сложной работе, головная боль. Большинство исследователей отмечает отрицательное воздействие пульсации света на работоспособность человека как при длительном пребывании в условиях пульсирующего освещения, так и при кратковременном, в течение 15-30 мин.
Нельзя не упомянуть и о таком явлении, как стробоскопический эффект - кажущееся изменение или прекращение движения предмета, освещаемого светом, периодически изменяющимся с определенной частотой. Он возникает тогда, когда частота мерцания светильника является кратной или совпадает с частотой движений деталей рабочего оборудования, из-за чего кажется, что те медленно двигаются в обратном направлении или не двигаются вообще. Например, неподвижными могут казаться вращающийся вал фрезерного станка, работающая циркулярная пила и др. По итогам расследования производственных несчастных случаев «виновным» зачастую оказывается именно стробоскопический эффект, который может возникнуть уже при коэффициенте пульсации в 10%.
Многие международные и российские исследования доказали, что пульсация освещения оказывает негативное воздействие также и на центральную нервную систему, причем в большей степени - непосредственно на нервные элементы коры головного мозга и фоторецепторные элементы сетчатки.
Величина пульсаций различных источников света
Светильники с лампами накаливания (ЛН), как правило, подключаются напрямую к сети переменного тока напряжением 230 В частотой 50 Гц. Частота изменения яркости свечения ЛН составляет 100 Гц. Кп ЛН определяется инерционностью нити накаливания, т. е. тем, как быстро нить накаливания успевает нагреться и остыть за полупериод питающего напряжения. Таким образом, чем мощнее ЛН и, следовательно, чем толще ее нить, тем меньше Кп. Измеренные прибором «ТКА-ПКМ» (08) величины Кп освещенности в зависимости от мощности типовых ЛН приведены в таблице 2.

Таблица 2. Зависимость коэффициента пульсации от мощности ламп накаливания
Газоразрядные люминесцентные лампы (ЛЛ) в качестве источника света используют электрический разряд в газовой среде, энергия которого затем преобразуется в видимый свет при помощи специального состава (люминофора), нанесенного на стенки колбы ЛЛ. Наиболее распространенным вариантом работы ЛЛ является режим их непосредственного питания от источника переменного напряжения. Поэтому при работе таких ламп всегда присутствует пульсация света. Люминофор, нанесенный на стенки колбы лампы, в зависимости от своего состава обладает некоторой инерционностью, которая в небольшой степени сглаживает пульсации от электрического разряда в колбе ЛЛ.
Большое значение для уровня пульсаций ЛЛ имеет электрическая схема, управляющая ее работой. В старых и дешевых схемах с электромагнитными пускорегулирующими аппаратами (ЭмПРА) ЛЛ пульсируют с частотой 100 Гц, глубина пульсаций лежит в диапазоне 20-42% (рис. 3).

Рис. 3. Изменение Кп у светильника с люминесцентными ртутными лампами низкого давления
В качественных современных светильниках на ЛЛ используют электронные пускорегулирующие автоматы (ЭПРА), которые, при питании ЛЛ преобразуют входную частоту питающей сети в частоты, составляющие десятки и даже сотни килогерц. В компактных люминесцентных лампах (КЛЛ) ЭПРА обычно встроен в саму лампу. Кп типовых КЛЛ обычно составляет 5-25% (рис. 4).

Рис. 4. Измерение Кп у типовой КЛЛ
Несмотря на то, что российские санитарные нормы допускают глубину пульсации до 20%, оптимальной для комфорта и безопасности человека была признана пульсация с коэффициентом не выше 4-5%. Такие показатели способны обеспечить только светодиодные источники света с качественным источником питания (драйвером).
Светодиод - практически безынерционный источник света. Любые изменения тока от источника питания приводят к изменению светового потока, излучаемого светодиодом. Поэтому величина Кп у светодиодных источников света зависит только от схемы устройства управления. Чем лучше стабилизация тока, протекающего через светодиоды, тем меньше пульсации светового потока системы освещения (рис. 5).

Рис. 5. Обобщённая схема системы освещения
Рассмотрим подробнее основные типы встроенных устройств управления светодиодных ламп (СДЛ).
В бюджетных СДЛ очень часто в качестве драйвера устанавливается относительно дешевый источник питания с гасящим конденсатором. Схема, как правило, содержит минимум элементов. Обычно, кроме самого балластного конденсатора, устанавливают выпрямительный мост и резистор (рис. 6). Понятно, что никакой стабилизации тока в такой схеме нет, что критически важно для светодиодов: в условиях колебания напряжения сети они могут быстро выйти из строя.

Рис. 6. Типовая схема встроенного RC-драйвера
Коэффициент пульсаций схем с RC драйверами достигает 100% (рис. 7). В корпусе лампы трудно разместить сглаживающий электролитический конденсатор нужной ёмкости, и стоит он недёшево, поэтому зачастую обходятся без него.

Рис. 7. Измерение Кп у типовой светодиодной лампы с RC-драйвером
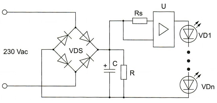
Более хорошие результаты дают линейные источники питания. Здесь, помимо схемы выпрямления сетевого напряжения, имеется микросхема U, которая, совместно с резистивным датчиком тока Rs, стабилизирует ток через последовательно включенные светодиоды VDl-VDn (рис. 8).

Рис. 8. Типовая схема встроенного линейного драйвера
Линейные драйверы обеспечивают приемлемый уровень пульсаций 5-10% в диапазоне напряжений 230 В ±10%. Однако при снижении питающего напряжения ниже 210 В увеличивается и пульсация (рис. 9).

Рис. 9. Измерение Кп у типовой светодиодной лампы с линейным драйвером
Качественные драйверы представляют собой более дорогие импульсные источники питания, что сказывается на стоимости СДЛ. Стабилизатор на базе импульсного преобразователя имеет устройство, регулирующее работу ключа в зависимости от тока нагрузки с помощью измерительного сопротивления Rs, включенного в цепь по-следовательно со светодиодами VDl-VDn (рис. 10). Ключ преобразователя, в зависимости от сигнала регулятора, включается с разной скважностью, поддерживая неизменным ток через нагрузку.

Рис. 10. Типовая схема встроенного импульсного драйвера
Лампы с импульсными драйверами имеют практически нулевой Кп в широком диапазоне питающих напряжений, что очень актуально в условиях нестабильной электрической сети (рис. 11).

Рис. 11. Измерение Кп у типовой светодиодной лампы с импульсным драйвером
Экспериментально полученная зависимость Кп типовых СДЛ со встроенными драйверами от напряжения питающей сети Uc представлена на рис. 12.

Рис. 12. Зависимость Кп типовых СДЛ со встроенными драйверами от напряжения питающей сети
Выводы
1. Пульсации светового потока на частотах менее 300 Гц негативно влияют на здоровье человека.
2. Требования СП 52.13330.2016 «СНИП 23-05-95* Естественное и искусственное освещение» и СанПиН 2.2.2/2.4.1340-03 «Гигиенические требования к персональным электронно- вычислительным машинам и организации работы» (с изменениями на 21 июня 2016 г.) в части уровня коэффициента пульсации освещенности полностью обоснованы.
3. Качественное искусственное освещение с низкими пульсациями возможно преимущественно только на светодиодных источниках света.
4. Пульсации светодиодных источников света зависят от схемы используемого в них драйвера.
5. Лучшие результаты по минимизации пульсаций освещенности дают схемы с импульсными источниками питания светодиодов.
ИсточникЖурнал «Полупроводниковая светотехника» 2017
- Комментарии